Filtration Group Information
Filtration Group (formerly MAHLE Industrial Filters)
Know-how for more efficiency and profitability
Filtration in hydraulic and lubrication circuits
Hydraulic equipment needs innovative filter solutions
It is impossible to conceive modern hydraulic and lubrication equipment without high-performance filter systems. They protect highly sensitive components, ensure compliance with the required purity of fluid media, and ensure the necessary reliability and profitability of the equipment.
With this manual we would like to provide current comprehensive information concerning filtration in hydraulic and lubricating circuits to those interested in hydraulics, as well as to seasoned specialists: from the fundamentals to equipment operation andservice.
Always a clean solution
Perfection in all filter applications
Thanks to highly effective filters and filter equipment, devices and accessories for keeping hydraulic fluids clean, MAHLE is the competent partner for machine manufacturers, as well as users of mobile and stationary hydraulic equipment worldwide.
For applications involving air, Filtration Group air filters and air oil separators ensure economic generation of compressed air.
Filtration Group dedusting devices and equipment help protect the environment and improve work safety, and they are used successfully to reclaim product.
Filtration Group hydraulic fluid and lubricating oil filters
Filtration Group has been involved with filtration of hydraulic fluids and lubricating fluids since the early 60s. Today this product group is the core of the Industrial filter manufacturing range. The superior technical know-how and the outstanding quality of our products have made Filtration Group into one of the world’s leading manufacturers of filter systems, devices, and accessories for fluid technology.
The product range includes pressure filters, double filter systems with diversion switches, bypass filters, suction filters, return line filters, vent filters, coalescer filters, highlyefficientfilterelementsinstandarddesigns,andinaccordance with DIN 24550, as well as accessories, filter and service devices for maintaining hydraulic fluids and lubricating fluids. Proven in thousands of plants, our high-performance filter elements protect highly sensitive hydraulic systems and ensure the required class of purity for a wide variety of fluid media.
Still one of the main causes of malfunctions and operating failures of hydraulic equipment: Contamination that results in premature component wear. The most effective means of prevention: Filters that reduce solids contamination in the system to a tolerable measure, prevent penetration of contamination from the environment, and maintain the characteristics of the hydraulic fluid over the longest possible period. MAHLE fluid filters are also characterized by long service life, and economical operation, and thus increase the efficiency and profitability of equipment.
Fail-safe security provided by systems with a constant low contaminationlevel
Sources of contamination
Hydraulic equipment is exposed to a variety of contaminants over its entire service life. Contamination already takes places during production processes of the hydraulic components and during their installation. In addition, there is the basic contamination of the hydraulic fluid. And during operation,abrasionandwearjeopardizethesystem. Contaminantscanevenpenetratefromoutsidevia defectivesealsandinadequateventingofthetank.
Essentially there are three sources of contamination:
- Contamination associated with installation (primary contamination)
- Contamination, which occurs in the system (operating contamination)
- Contamination from the environment and through the hydraulic fluid (contamination ingress)

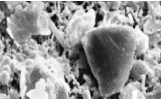
Primary contamination at 170 x magnification
If you are familiar with these sources of contamination, then you can use MAHLE fluid filters for specific remedies.
Primary contamination
In manufacturing hydraulic components and production of equipment, various types of contamination accrue, such as shavings, mold sand, core residue, fibers, burr residue, dust, paint residue, or welding residue, depending on the process.
Most of these coarse contaminants must be removed from the entire system bywashingout and flushing prior to commissioning. After flushing, there should be a run-in phase of the load-free equipment to loosen firmly bonded contaminants and to remove them through thefilter.

Tolerated residual contamination at 170 x magnification
For complex equipment in addition to the already installed operating filters, it is recommended to install flush filters at strategic points in orderto thus break down primary contamination as quickly aspossible.
Complete removal of the primary contamination and production contamination is seldom successful. Vibrations and temperature changes in flow conditions can loosen residual contamination that is still firmly bonded long after the equipment has been commissioned. Consequently it is important that the installed filters capture this contamination, and this measure thus protects highly sensitive components.
Operating contamination
From the contaminants in the components and in the equipment, the hydraulic system generates newcontaminationthroughmechanicalandthermal influences. In addition there is abrasion of the hydraulic components. These processes produce a self-acceleratingcontaminantavalanchethatmust be caught by the filters and brought to a level that is appropriate for theequipment.
Contaminants from the environment
A frequently underestimated source of contaminants are unsuitable vent filters or a lack of vent filters, service caps on hydraulic fluid tanks that are not closed after service, or defective seals on flanges and cylinders, through which dust and contaminant penetrates from the environment and thus constantly aggravates the contaminant avalanche, a method of preventing occurring is the use of a flexible separator (please contact Exotech and ask about our EFS range). Also the dust content of the ambient air where hydraulic equipment is located is usually underestimated.Theairthatpenetratesintothetank for level compensation must at least be filtered with the same fineness as that provided by the fluid-filter.Alsocomponentandsealleaksmustbe resolved as quickly as possible, for service and repair work the openings provided on the tank must be covered, and must always remain closed when the equipment is inoperation.

Filter media for hydraulic fluid and lubricant filtration are used individually, however they are used most often in combination.
Contaminants through hydraulic fluids
Hydraulic fluid can become significantly contaminatedinproduction,filling,transport,andstorage. Particularlystorageintanksandvats,resultingin problems, such as containers are not adequately protected against corrosion, contamination, water condensation, and dust from the environment.
Online measurements of hydraulic fluid at first filling, and when servicing (topping off) often reveal classes of purity that are far below the fluid purity class required by the equipment. To improve this situation fluid must always be filtered through suit- able filters, for the initial filling as well as when topping off. When filling, the filter effect must be achieved in a single passage, this means that the requirements placed on special filling filters are quite high.

Fig. 5: Structure of a Sm-x star pleat

Fig. 6: Typical relationship between the design- specified, permissible level of contamination and the actual level, prior to commissioning
Hydraulic fluids are used primarily to transfer the energy from the pump to work cylinders, hydro motors and other components. In this process they should also protect the system from corrosion, dissipate heat and lubricate parts that have glide contact. The same applies for lubricating circuits. However all of these requirements can only be satisfied if the hydraulic and lubricating fluids do not age prematurely and if their characteristics remain unchanged over a long period.
Purity is the main thing for the hydraulic and lubricating circuit
The filterability of hydraulic and lubricating fluids primarily depends on their viscosity; hydraulic fluids and lubricants are grouped in viscosity classes (Table 1) in accordance with DIN 51519. In addition to mineral oils, flame-retardant, biologically degradable fluids and special fluids are used in the foodstuffs industry as lubricating and hydraulic fluids, forexample.
Mineraloils
In hydraulic and lubricating equipment, mineral oils are used predominantly because their characteristics relative to aging, corrosion protection, temperature influence on their viscosity, lubricating behavior and water bearing capacity can be improved by introducing additives to a base oil. Mineral hydraulic fluids are classified in different quality groups in accordance with DIN 51524 (Table 2) depending on the requirement.
Native oils
Rapeseed oil is primarily used from the group of plant and animals oils, although it would also be possible touse olive oil, sunflower oil, and castoroil in agriculture, forestry or mobilehydraulics.
Flame-retardant fluids
Flame-retardant fluids are used in mining, for die-casting machines, foundries, and other applications where fire hazard is present with mineral oils due to the high heat build-up. The various fluids are described below.


HFAfluids
Many HFA fluids have virtual water viscosity and consequentlytheyareprimarilyusedinareaswhere fire is a hazard, such as in mining applications or in weldingequipment.Usableinatemperaturerange from + 5 °C to + 55 °C, these oil-in-wateremulsions resemble the bore oil emulsions used for metal processing. The consumer himself produces them by mixing an HFA concentrate with the necessary amount of water. Generally the maximum proportion of oil in this process is only 20 %. A distinction is made between HFA E emulsions that contain mineraloil,andHFASemulsionsthatdonotcontain mineraloil.
HFBfluids
HFB fluids with a nominal viscosity similar to that ofhydraulicfluidsarenotwidelyusedinGermany, becausetheyarenotrecognizedasflame-retardant. HFB fluids are used in Great Britain and Commonwealth countries. They can be used from + 5 °Cto + 60 °C, the mineral oil proportion is < 60 %.
HFC fluids
The most frequent representative of these aqueous polymer solutions are polyglycol water solutions. They are shipped ready-to-use and can be used – depending on the viscosity requirement –for fluid temperatures between – 20 °C to + 60 °C. In order to keep reduction of water content through evaporation to a minimum, operating temperature should not exceed + 50 °C. In any case, water content (< 35 %) and the rust protectionreserveof HFC fluid should be monitoredduringoperation and be maintained at the target value by adding demineralized water or a rustinhibitor.
HFD fluids
Forwater-freesyntheticHFDfluids,adistinctionis made on the basis of phosphoracetic acid (HFDR) andotherwater-freesyntheticfluidslikepolyolester or organic ester (HFDU). Their temperature range (max. from – 20 °C to +150 °C) is determined by the viscositytemperaturebehaviorandtheviscosity requirements of the drive. It is generally less than for mineral oils and must be verified on a case-by- case basis.
Lubricating oils
Mineral oil based lubricating oils can be filtered with star pleat filter elements. The most frequently used Newtonian fluids are lubricating oils for circu lating oil lubrication, turbine oils and air compressor oils. Usually, and depending on thecomponents that will be lubricated, filter fineness from 10 to 25 µm is used. Here the possible flow capacity depends on the viscosity of the lubricating oil (Table4).
Biologically degradable hydraulic fluids
These environmentally friendly plant-based, animal- based, or synthetic-based fluids with low biotoxicity are used as alternatives to mineral hydraulic fluids in agriculture and forestry, as well as in mobile hydraulics.
- HETG: Natural ester based on plant oils (rape seed oil, sunflower oils etc.), water insoluble
- HEES:syntheticester, water insoluble
- HEPG: Polyalkaline glycols, polyglycols or polyethylene glycols, waterinsoluble
Requirements and use are specified in the VDMA standard sheets 24568 and 24569.
Synthetic hydraulic fluids
Synthetic hydraulic fluids are used most often for special applications (e.g. aerospaceandmilitary). In their filter behavior, they resemble mineral oils, yet they have specific advantages over mineraloils. However, often they are extremely aggressive to metals and sealingmaterials.
Filterability of hydraulic fluids and lubricating fluids
All necessary characteristics can only be safely assured with the use of additives. These are often in particulate form, and their size range is under 1 µm.


This results in a clearly defined requirement or limit for filtration of hydraulic fluid: There must be a capability to filter out contaminant particles in the range under 3 µm, and at the same time there must be absolute assurance that the additives will remain in the hydraulic fluid. The manufacturer of the hydraulic fluid must warrant filterability dow toapprox.1µminthisregard.
The filterability, and thus the capacity of the hydraulic fluid to flow continuously through a fine filter, depends not only on viscosity, but to a large extent also depends on the oil components in the colloidal area, where the additives are present. Contaminations can lead to significant changes of the fluid’s colloidal structure and thus to plugging thefilter.

Contamination classes
So-called contamination classes have been defined for hydraulic fluids because it is economically impractical to remove all contaminants from hydraulic systems through superfine filters. These classes specify the permissible quantity of particles rated according to the operatingrequirements and sensitivity of componentsused.
Classificationsystems
NAS 1638 and ISO 4406 are the most prevalent contamination classifications for contaminant quantity. Both classification systems are oriented on the fact that depth filters with a balanced ratio of filtration quality and service life are the filters mostfrequentlyusedtoday.Theirfiltermediadoes not have uniform pore sizes, but refers to a pore spectrum. For instance, for a filter element, which separates 99 % of all particles >10 µm note that: Not all particles >10 µm are retained, and under some circumstances even significantly larger particles will passthrough.
For industrial hydraulic systems, particle counts are coded in accordance with ISO 4406. With replacement of the ACFTD test dust through ISO MTD, the particle sizes have also beenredefined.
According to ISO 11171:1999, now the diameter of the circle with the same projected area for particle sizes is the determining factor (Fig. 7). With the new definition of test dust and particle size, the standard ISO 4406 has also been updated. This new issue ISO 4406 /1999 now uses a three digit code for particles > 4 µm(c), > 6 µm(c) and >14 µm(c).
Sizes > 6 µm(c) and >14 µm(c) for the most part correspond to the previously used particle sizes > 5 and >15 µm according to the ACFTD calibration. The newly included range in the classification for particles > 4 µm(c) approximately corresponds to µm of the oldstandard.
In order to distinguish the new standard from the old standard, specifications relative to filter fineness in accordance with the new standard are given a supplemental “c“.

Particle size as longest particle measurement and as projected surface with allocated equivalent diameter

Classification example
The following particle sizes are measured when examining the contaminants in 100 ml of hydraulic fluid:
- 210,000 Particles > 4 µm (ordinal number 18),
- 42,000 Particles > 6 µm (ordinal number 16) and
- 1,800 Particles >14 µm (ordinal number 11).
Thus the key for identifying solid contamination in accordance with ISO 4406 / 1999 is as follows: 18 /16/11.
Selecting filter fineness andfilterelements
State of the art hydraulic equipment is fitted with very sensitive controls. A certain work medium contamination class that is as low as possible is necessary to ensure problem-free operation of these units. Consequently, selection of filter fineness represents one of the most important, and alsooneofthemostdifficult,parametersofafilter. Normallythecontaminationclassesrequiredbythe component manufacturer must beconsidered.
The current contamination class of fluid in a hydraulic system can also be determined by an oil test. However, in general the following applies: At higher pressure levels, always select the lower contamination class and higher filter fineness. Our know-how, gained over years of experience in designing filter concepts makes it possible to define guide values. Frequently, much lower contamination classes are achieved with many of the recommended filter finenesses and filterelements.

Definition of the ßx value
The ßx value is the measure for the effectiveness of a filter. It expresses the ratio of the particle count before and after filter passage. The formula for this is:

In hydraulics, reference is made tofilter fineness x (in µm), if the filter element corresponds to the requirements of the multipass test in accordance with ISO 16899. For the sake of completeness, it is also necessary to mention the specification of the beta value, e.g. ß10(c)≥ 200. The terms “nominal“ and “absolute“ are not defined and should not be used. For filter finenesses ≥ 40 µm, when specifying filterfineness,themeshwidthortheaveragepore size of a filter material are alsolisted.
Efficiency criteria
In addition to the filter finenesses required by the contamination class, further peripheral conditions determine filter selection:
- Intended install point Intended temperature range
- Type of pressure medium with viscosity and density
- Maximum volume flow Maximum pressure Environmental conditions
Often the install point in particular leaves few options. Nevertheless, in order to achieve the largest possible filter surface for the specified filter dimension, the filter materials are pleated in a star shape.
Component dependent filter fineness
Also selection of filter fineness always depends on the components that will be protected. Thus, the largest permissible particle diameter e.g. for proportional, servo, directional, and pressure control valve systems should always be less than the smallest gap width occurring there.
The filter is only economical if the filter element has the longest possible service life at adequate filtration quality. In addition, it may allow particles that are greater than the gap width to pass through accordingly. Finally, contaminant particles have a three-dimensional character and to some extent can be easily deformed. Moreover, the work gap is pressure dependent: The lower the system pressure, the greater the workgap.

Critical points in an axial piston pump with a specified piston play, eccentricity changes as a consequence of load andviscosity.

Critical points in a gear pump; The play between tooth and housing changes depending on the angular position so that fluid can flow in from the pressure side.

Critical tolerances for a valve piston – usually working with a certain eccentricity
Filter concept
Filters must be selected in such a manner that the hydraulic system components are adequately protected in accordance with the required contamination class. Consequently, in order to specify filter fineness, the entire system must be taken into consideration, starting with the contamination sources. Then the install point of the filter or filters must be planned upstream of each component that will beprotected.

Due to the variety of information that must be taken into consideration (i.e. data, facts, and system parameters), a filter design that is both technically and economically optimal is a difficult task, which in its complexity, can only be mastered by experienced specialists. As an innovative development partner and reliable supply partner of the leading manufacturers of hydraulic equipment and devices, we are the competent system partner in all areas of filtration and hydraulic fluids. Our line of filters offers a broad application spectrum and enables compliance with the prescribed purity classes under all conceivable implementation conditions.
Highly effective filtration with a plus on performance and system competence
Filterdesign
Filterdesignisbasicallydeterminedbythefollowing systemdata:
- Flow rate
- Maximum operating pressure
- Required contamination class in the system or prescribed filter fineness of the component manufacturer
- Expected environmental conditions (good, medium,poor)
- Type of hydraulic system (large system with many piston rods and consumers, medium-sized system, small system)
- Operating medium
- Operating temperature
- Starting temperature
- Filter design (housing + element + options)
The multi-layer structure of our filter inserts generally enables a broad application spectrum and high-level contamination absorption capacity. Even at increasing differential pressures, element filtration remains constant and offers the highest level of protection, even with pulsing stress. Long filter service life at low flow resistance guarantees economically optimal operation; in this regard our experience gained from similar types of applicationsis a benefit to you. Nevertheless, if preliminarytests are required in a particular case, then simply contact our engineers for advice. Together we always find the bestsolution.
Hydraulic filter structure
MAHLE hydraulic filters are structured uniformly. They consist of the filter element, a housing, and additional fittings depending on the type of implementation (e.g. bypass valve, contamination indicator, reversing valve). The housing comprises head and bowl. The inner tube, the pleated star and the end plates form the filter element itself. With few exceptions, filter flow is from outside to inside

Contamination indicator
Filters can only be implemented in a manner that ensures maximum economy if their dirt holding capacity is fully exploited. Consequently, all filters should be fitted with a contamination indicator. It’s mechanical or electronic sensors react to changes in pressure conditions on the filter element. Withsuction filters negative pressure is registered, with pressure filters the differential pressure is registered, and for return line filters the back pressure is registered. Depending on the version of the filter, results are signaled via manometer or via visual and visual- electrical switches. Here the switch point must be selected in such a manner that reserve capacity is ensuredinthefilter,atleastuntiltheendoftheshift.

Functionaldiagram–differential pressureindicator
Bypass valve
Impermissible high flow resistance, or collapse of thefilterelementarepreventedviaabypassvalve builtintotheheadofthefilter.Itopensasthecontamination level of the filter element increases, or if the fluid viscosity increases, in these cases only a partial flow is filtered. Three important conditions mustbedefinedforthis:openingpressure,closing pressure and the maximum permissible pressure drop in the nominal volumeflow.

Functional diagram – bypassvalve
On the other hand, if the entire volume flow will always be filtered so that critical components do not fail prematurely, then a bypass valve is not practical. A bypass valve attached to the bottomof the filter housing is not suitable as it washes sediment contamination into the valve.
Reverse flow valves
A reverse flow valve enables flow through the filter housing in the opposite direction, without pressurizing the filter element in the process. Only necessary for equipment in which the flow direction changes. The reversing valve can also be combined with a bypass valve.
Cold start valve
Incontrasttothebypassvalvethevolumeflowthat flowsviathisvalve,isnotchanneledtotheconsumer, butratherischanneledbacktothetank.Consequently, only filtered fluid is supplied to the consumer. Moreover, the fluid is quickly warmed through the pressure drop from filter to tank. Thus cold start valves are primarily used in mobilemachines.
Types of Filters
Suction filter
If formerly suction filters were limited to retention of coarse particles and other filters did fine filtration, then today filter fineness through filter material with low flow resistance extends to the range ß20≥ 200. Installed directly upstream from the pump, suction filters are nevertheless subject to physical limitations. In order to filter even finer, they had to be designed larger and cavitation damages would occur due to the growing differential pressure on the addedfilter.
Their advantages in the area of mobile applications are undisputed, for instance for hydrostatic drives. In the case of hydrostatic drives, they filter almost exclusively in the suction area, as the frequently occurring reverse operation there would otherwise require pressure filters with reversing valves that are too complex. When using a suction filter as sole system filter, a contamination indicator in addition to a sufficiently dimensioned filter surface are strictrequirements.
Suction filters are available as in-tank filters, also with closing valve for installation below the oil level, and they are available as line filters installation in the suction line. For the most part, suction filters implemented as line filters correspond to low- pressure filters up to 25Bar.
Install point:Directly upstream from the pump
Fineness:100 – 20 µm(c)
Bypass: Depending on the application
Contamination indicator:Recommended; if not realizable, clean the wire mesh according to the operating instructions, or ensure replacement every 500 hours

Suction filter structure

Filtration in the suction line
Pressure filters
Pressure filters are designed for use as full flow or partialflowfilters,andfortherangeslow-pressure to25(60)bar,medium-pressureto210Bar,aswell as high-pressure to 450 Bar. They are installed downstream from the pump and the pressure limiting valve upstream from the componentsthat must be protected. Pressure filters are available asdifferentmodels,aslinefilters,flange-mounted filter, replacement filters (spin-on cartridges), and filters in sandwichdesign.
If there are no other possible contamination sources, such as cylinders in the circuit downstream from pressure filters, then additional system filters are usually not required for smaller equipment.

Pressure levels in accordance with DIN 24550, Part 1

Pressure filter as duplex filter
The duplex filter with one-hand operation and loss free switching of fluid flow offers the greatest economy in the low-pressure and medium-pressure range. It can be used around-the-clock without operational interruption. With duplex filters, the element can be changed while the equipment is in operation.
Nominal size of the filter:
Depending on environmental conditions and equipment sizes, the nominal size of the elements should be greater than the maximum pump capacity. Thus the filter offers sufficient service life, even under unforeseen operating influences. Partial flow filtration can be effective in large devices. A protection filter must be provided for sensitive components (servovalves).
Nominal pressure:The nominal pressure must be greater than the device’s maximum operating pressure.
Contamination indicator: Always required
Install point:Downstream from the pump, downstream from the pressure regulating valve, upstream from the component that must be protected
Fineness:Depends on the required contamination class
Bypass:Suitable for equipment with frequent cold start, no bypass for protectionfilters
At nominal pressures up to 16 Bar it is not necessary to use a bypass valve in conjunction with low pressure elements if a pressure limiting valve with max. 16 Bar is installed upstream from the filter. At higher pressures, if you dispense with a bypass valve, then elements that are resistant to high pressure are alwaysnecessary.

Duplex filters Pi 231
Return line filter
If contaminants have not been previously retained via pressure filters, then return line filters capture all the contamination generated in the system and washed out of the hydraulic equipment and thus prevent the occurrence of a disastrous contamination circuit via tank and pump. Return line filtersare mainly designed as in-tank filters. Their filter head is permanently connected to the tank and the discharge opening of the filter projects into the tank. With supplemental fittings, return line filters can also be used as fillingfilters.
Return line filter as duplex filter
Return line filters as duplex filters with one-hand operation and loss-free switching of fluid flow can be implemented around the clock without interrupting operation. This design is particularly economical because service work (changing elements) can be performed during operation when contamination absorption capacity has been completely used up.
Return line filters as line filters
In-tank filters may not be practical for very large devices and very large return quantities. In these cases, line filters in the low-pressure range (up to 16 Bar) represent an economical alternative.

Structure of a return line filter
Nominal pressure: The nominal pressure must be greater than the set pressure of the bypass valve, and it must be able to accommodate the additional pressure increase at cold start conditions.
Contaminant indicator: Always required
Install location: Directly upstream from the inlet of the return line to the tank, for line filters or as in-tank filter
Fineness: Adapted to the filter concept
Bypass:Always necessary to prevent the switch time changes caused by back-flow in the equipment
Nominal size of the filter:The nominal size should be configured based on the return line and the size of the equipment. In addition to maximum pump output quantity, the increased return quantity for differential cylinders must also be taken into consideration when determining nominal flow. Thus, the filter has sufficient service life even under unforeseen operating influences.

Filtration in the return line and via filling filter
Bypass filter
Bypass filters in stationary design, function as work filters for existing pressure filters, or return line filters in widely branched hydraulic systems with large tank volumes and fluctuating return flows. Bypass filters represent the optimal solution for filtration of large quantities of oil that either cannot be sufficiently cleaned, or can only be cleaned uneconomically with full flow filters. In addition, there are many combination possibilities e.g. with coolers.
In mobile design, bypass filters can be used with a lot of flexibility as flushing, filling, or filter aggregates.


Structure of a bypass filter
Nominal pressure: 6 /10 Bar
Contamination indicator: Always necessary for mobile devices, ideally as mechanical/electrical indicator, so that when the contaminant absorption capacity is exhausted, not only is the pump switched off, but an optical signal also indicates the situation at the same time.
Install location:Usually in the vicinity of the hydraulic fluid tank
Fineness: According to the recommended contamination class; fill filters require a special design
Bypass:Reliable; also required when the pump is switched off through the contaminant indicator
Nominal size of the filter: Filter capacity should always stand in sufficient ratio to the occurring volume flows. On the other hand, the housing connections are only based on the pump capacity installed in the bypass filter.

Filtration in the bypass
Pressure loss at hydraulic filters
The pressure loss at hydraulic filters increases with increased filter service life. This means that correctly determining the initial ΔP becomes even moreimportant.
Determining the initial ΔP
This is determined via appropriate diagrams in the data sheets. For oil with a viscosity of 33 mm²/s or 190 mm²/ s it can be read directly, for other viscosities it must be calculated according to the formula

(Δp in bar / u in mm²/ s)
Sample calculation
Determining the Δp for the MAHLE PI 3430 filter u1 = 190 mm²/ s, u2 = 33 mm²/ s, with element SMX 3 at a flow rate of 90 l / min and a viscosity of u3 = 100 mm²/s:


Pressure loss at hydraulic filters depending on filter service life

Diagram for determination of the Δp for the MAHLE Pi 3430 filter
Air breathers
Air breathers are among the most important components of a filtering concept. Fitted with the appropriate change elements depending on the required contamination class, you ensure contaminant-free air supply for tanks. This filter is absolutely necessary in light of the considerable level of contaminants that can enter the system through venting fixtures. Filter fineness must be selected in accordance with the system filters. Ventilation integrated in the return line filter is only sufficient for small tanks and oil quantities up to a max. of 100 l/min
Install location:
Directly at the highest point of the hydraulic tank; for mobile equipment take swash room into consideration, so that no oil can be forced out
Nominal dimension:
Based on the maximum occurring volume fluctuation, which causes an equal volume air exchange
Bypass: No
Contamination indicator: With self retainingfunctionstartingat Q ≥ 1,000 l / minrecommended


Air breather combined with fillsieve
TURBIDITY SENSOR AND COALESCER FILTER
Water in hydraulic and lubrication systems not only reduces service life of the hydraulic fluid, but also reduces service life of machine components and of the entire system. Common damages are corrosion of metallic system parts, hydrolysis of hydraulic fluid, bearing wear, premature plugged filters, and chemical decomposition of additives. In order to prevent this type of damage, MAHLE has developed a new concept for water detection and removal, consisting of turbidity sensor and coalescer filter.
Spontaneous detection, immediate removal of free water in hydraulic fluids
Reliable and cost-effective
The consequences of water ingress that is identified too late range from extensive repairs to complete productionfailure.Formerlythishazardcouldonlybe countered with high-costs and calibration efforts with the usual methods and systems. Forinstance, the ensuing damage resolution was very expensive: Allthehydraulicfluidhadtobereplaced,ordriedvia vacuumevaporation(absorptionforsmallerdevices). The newly developed turbidity sensor is an inexpensive device that was been developed for rapid detection of water breakthroughs above the saturation limit. And in conjunction with the new coalescing filter, water that has penetrated can be mechanicallyremoved,quicklyandcost-effectively. The system is suitable for all fluid technical applicationsthatarejeopardizedbywaterbreakthroughand offers a variety of implementationpossibilities, e.g. in hydraulic equipment with water coolers, in mobile applications such as construction machines, in power plants, paper machines, wind energy plants, or in ship operating technology.
Water detection
The MAHLE turbidity sensor works with a clockedlight beam, which divides into two different lengths, penetrates the hydraulic fluid and finally hits two receivers. Ideallyitshouldbeintegrated in the return line or directly in the tank near the return. If water enters the circuit, the light beam weakens through turbidity of the hydraulic fluid, the electronic circuit recognizes this based on the target values that have been stored, and emits a signal or switches on an aggregate for water separation. Combined with the MAHLE coalescer filter, water removal can be triggeredimmediately
Water removal
The MAHLE coalescer filter, consisting of multiple different layers, enables mechanical separation of the super-fine water droplets in the hydraulic fluid. In the first work step, these droplets are collected and brought together to form larger units. The resulting drops, which are several millimetres in size, leave the coalescer layer and hit a fabric treated with a special hydrophobic agent. This is where the water is separated from the hydraulic fluid. The water then exits the circuit through sedimentation. The important aspect of the process is that a certain differential pressure may not be exceeded in the coalescer, and the respective viscosity must be taken into consideration. The coalescer can beoperatedcompletelyautomatically. Inaddition there aredifferent controlpossibilities, e.g. volume flow control by differentialpressures via a pump, or also volume flow control via a pressure-limiting valve. In general, the following applies: The lower the quantity of emulsifying additives present in the hydraulic fluid, the better the coalescer will function. Conversely, inexpensive hydraulicfluidscanreplaceexpensivespecialoils.

Because only free water causes turbidity, water solubility should be considered depending on temperature. In accordance with VDMA standard sheet 24568 water content less than 1,000 ppm (0.1 %) must be maintained for hydraulic fluids of the HE group. Free water should not bepresent in the HLPgroup.

MAHLE PIT 400 turbidity sensor and MAHLE PIW 1975 coalescer filter
TEST STANDARDS FOR FILTER ELEMENTS AND FILTER CAPACITY
Prerequisite for filter elements with the best filtration characteristics: materials that conform to the quality requirements and high production quality. Standardized tests for the inspection provide important indications in this regard. Only those manufacturers who regularly perform this test can guarantee sustainable unchanging standards and ensure the requirement ßx ≥ 200 in every case. Combined with other important international test standards, such as the multipass test, this guarantees the security that is simply required for problem-free operation in practice.
Measurable high quality in accordance with all relevant norms and standards
Bubble-point test (ISO 2942)
Since a minimum pressure value can beallocated to each element type, with the bubble-point test, uniformity of the filter element production quality can be excellently monitored.
The filter element is immersed with the main axis parallel to the main axis of the test fluid (isopropanol) and after 5 minutes it is subjected to the specified minimum pressure at 360 ° rotation. If no continuous bubble flow is present then the element satisfies the test conditions. However, the test is not relevant for measuring filter capacity or degree of separation.
Collapse pressure/ burst pressure test (ISO 2941)
Permissible collapse pressure is understood as the pressure differential to be withstood by the filter element in flow direction.
For this test any chemically neutral, particle-forming contaminant is added to the test circuit, until the pressure differential above the filter element corresponds to the permissible collapse pressure or burst pressure. The pressure differential curve is recorded and the filter element is only released if there is no indication of failure, i.e. there is no drop in the slope of the pressure differential curve to be recorded.

Test assembly for bubble-point test
Determining initial differential pressure (ISO 3968)
Differential pressure (also referred to as flow resistance) is one important aspect in configuring hydraulic filters. It is determined by the entire pressure drop from housing inlet to outlet and is com- posed of housing and filter insert losses.
Factors that influence the flow resistance of a clean filter are viscosity of the fluid, specific weight of the fluid, volume flow, filter insert medium, and flow paths.
A test rig, consisting of pump, tank, heat exchanger, and measuring devices for pressure, temperature, and volume flow (as shown in the diagram in Fig.A) is used to determine flow resistance. p1 is the pressure at the filter inlet, p2 is the pressure at the filteroutlet,andΔpistheflowresistanceofthefilter. A test rig with high system pressure is not necessary when executing Δpvolume flow measurements on a filter. It suffices to keep p2 at a positive pressure value.
Flow fatigue test (ISO 3724)
The test is used to determine the capacities of a filter element to withstand the deformations caused by changing differential pressures (flow quantities)withoutchangingtheburstingstrength. A test rig as shown in the diagram in Fig. B is used perform thetest.

Fig. A: Diagram of a test standard suitable for Δp and flow measurements

Fig. B: Diagram for a typical flow fatigue test rig
Multipass test (ISO 16889)
The multipass test is the most important test for evaluating separation performance, contaminant absorption capacity and filter element service life, and it is also referred to as filter capacity test, or ßx-test. An extremely complex test rig, divided into three main groups, is required in order to perform a multipass test:
- In system 1 the test fluid (MIL-H-5606) defined with test dust (ISO MTD) is contaminated.
- In system 2 the test filter is installed and the cleaned test fluid is recirculated.
- In system 3 the fluid samples removed from system 2 are continually counted out in highly precise particle counters, and the results are entered into a computer.
The multipass test closely approximates the progression of contamination in practical application. The differences are at the most the greater contaminant offering and consequently the thus made possible, significantly reduced test period compared to filter service life.
However, possible changes to the filter elementat increasing Δp, as they might occur through cold starts and other operating influences, can be clearly verified and conclusions can be drawn relative to the effectiveness and service life of the filter.
The test fixtures and the text sequence are very complex and cannot be performed by the user himself. Consequently, you are even more dependent on the veracity of the manufacturer’s information.

Multipass test

Multipass test procedure
Contaminated fluid from system 1 is continuously injected into the system 2 circuit. Contaminant isfed to the test filter through constant recirculation until maximum permissible differential pressure of the element, or the test system isachieved. During this period, samples are continuously analyzed and the temperature and pressure course is recorded in system 3. Thus you can determine the course of the element’s separation performance at increasing differential pressure. The test result is expressed in the form of the ß value, which reflects the followingrelationship:

The following values should always be supplied:
- ßx value based on the Dp with which the value was measured
- ßxvalue at the switch point of the contamination display and at the end Δp of the test rig or the permissible Δp for the affected element
- Apparent contaminant absorption at the switch point of the contamination indicator and at the endΔp
- Actual bubble point of the test element prior to teststart
Only this information in total allows real comparative evaluation of the capacity of filters. This is best achieved when the filters are run on the same test rig. In order to better evaluate the significance of the ß value, you must keep the comparison with the degree of separation in % in mind. Degree of separation is the result of:

A ß value of 200 thus corresponds to a degree of separation of 99.5 %

OPERATION AND SERVICE
Filter elements are high-quality technical products. To ensure that they reliably fulfill their function, they must be handled professionally and carefully. In operation, particular attention must always be directed to proper function of the filter and compliance with the required contamination class of the hydraulic system. Intensity and frequency of the required service work is based on the stress caused by environmental influences and the level of stress. Economic operation of filters and hydraulic equipment can be controlled and monitored with suitable test methods and devices that have been specially developed for this purpose.
Leave nothing to chance, and avoid expensive production failures
Short list, significant effect
The most important rules for operating hydraulic systems equipped with filters can be summarized in six guidingprinciples:
- Hydraulic fluids should always be filled through a finefilter.
- Filter elements must always be replaced after flushing a device.
- The contaminant level indicator should be checked daily after the equipment has reached operating temperature.
- Do not neglect the analysis of liquid samples from the system or online measurements through particle counters, as they provide indications of premature wear or hydraulic component failure. An examination of elements can provide important indications of problem cases.
- Also topping off hydraulic fluids through a fine filter at all times.
- When replacing filter elements, the operating instructions should be followed with care.
Flushing and running-in
Prior to commissioning a hydraulic system, the assembly contamination must be removed – ideally by flushing the entire device. For the duration ofthis process, the operating elements must be removed from the installed filters and replaced with flush elements. They should only be reinstalled or replaced after the flushingprocess.
For the flushing process itself, the oil flow can be cleaned by a transportable bypass filter system. Here, at maximum flow speed, mineral oil or a different oil that is compatible with the hydraulic fluid that will be used later is pumped through the system, or is pumped through individual sectionsof the system. The assembly contamination is separated in the filter of the filter trolley.Only smaller or less sensitive hydraulic systems can be flushed during the running-in process via installed filters. The prerequisite: You must ensure that the equipment is operated without load, however with displacement volume which gradually reaches the maximumlevel.
Topping off hydraulic fluid
To maintain the contamination class, if there is a leak, always top-off hydraulic fluid through a fine filter. A filling aggregate can be used, or with an appropriate device, a return line filter or line filter can also beused.
Permanent monitoring of contamination
Each filter should be fitted with a visual or visual / electrical contaminant indicator. It allows you to determine at anytime whether contaminant absorption capacity is still present or whether itisnecessary to change the elements. Check visual displays daily after reaching the operatingtemperature.
With visual contamination, displays simply press in the red pin and you will get a clear result. If the pin stays in, then the element is fully functional, however ifitdoes not stay in, then the element mustbe changed, at the latest after the shiftends.
Electrical displays also provide an electrical signal in addition to the visual display. The red pin and the signal are independent of each other. Here as well, the level of contamination should be evaluated when the equipment is warmed up, because a cold start can trigger a contamination signal due to the increased viscosity. Consequently, a cold start suppression device can be useful for equipment that frequently starts at lowertemperatures.
Changing elements
If the contaminant display shows a contaminated element, then usually there is at least 8 hours of reserve capacity, i.e. there is reserve capacity for the duration of a shift. Thereafter the filter element must be replaced. If the filter element is not changed, then in extreme cases the element could collapse with fatal consequences: Contaminants that have already been retained are abruptly washed into the system through the torn filter matrix – this often results in a totalfailure.
The following filter control guide values apply for filters without contamination indicators:
- 24 hours after commissioning the equipment
- Aftertherun-inphase(50–100operatinghours)
- Normal service (300 – 500 operatinghours)
Elements must always be changed with the utmost caution and in strict compliance with the operating instructions.
Cyclical monitoring of the contamination
With focused monitoring, filters are also suitable as wear control instruments for hydraulic system components. For instance, if the operator regularly documents filter replacement, then increasingly shorter replacement intervals are an indication that component wear is increasing. Qualitative and quantitative analysis of the element and a fluid sample from the system make it possible to locate the origin of the contaminant particles and thus localize the cause of the increased wear. Hence, inferences are possible relative to the installed materials and thus preventative repair intervention can be executed before total failure and production downtime occur. Generally, quantitative contaminant determination of hydraulic fluids that is carried out anyway serves this objective. Samples taken at one of the specially designed removal points, or captured via online particle measurement, ensure that the required contamination class is maintained andthatthesystemthusremainsfunctional.
Sampling in accordance with ISO 4021 from equipment that is in operation
When designing hydraulic equipment, removal points should be provided in the turbulent main flow. Samples can be taken at these points in compliance with normal safety measures for protecting personnel and equipment. To prevent external contaminants from skewing the sample result, you must carefully draw the fluid in bottles that have beenspeciallypreparedforthispurpose.

Typical sampling arrangement in accordance with ISO 4021
Sampling arrangement
Atypicalsampleremovalarrangementinaccordance with ISO 4021 consists of sixelements:
- Dustcap
- Valve without checkfixture
- Capillary tube for fluid sampling 4 Cover cap with capillary tube
- Ballvalve
- Checkvalveandouterpartforfastmounting
A quick-mount coupling (6) with dust cap (1) is permanently attached to the opening through which the sample will be removed. The other parts of the arrangement (2 – 5) should only be anchored for the samplingprocess.
The inner diameter and length of the capillary tube depend on the sample quantity desired. Do not use capillary tubes with an inner diameter < 1.25 mm other tubes such as those with rectangular cross sections may be used – with the prerequisite that the smallest inner measurement isnot less than 1 mm. One end of the capillary tube is sharpened andde-burredtofacilitatesubsequentpiercingofthe film that covers the sampling bottle. If turbulence is not guaranteed in the flow, then a fixture for generating turbulence must beimplemented.
Sampling process
Opentheballvalve(5)inordertofirstallowatleast 200mloffluidtoflowoff.Onlythenbringthesamplebottleintopositiontocollectliquid,aftertheinitial drain-off. Break the film on the bottle opening withthesharpendofthecapillarytubeandremove a sample that is not more than 90 % and not less than50%ofthebottlevolume.Beforeshuttingoff theflowwiththeballvalve,removethebottleand seal it immediately after withdrawing the capillary tube.
If a quick-mount coupling (6) is used, then the removable parts of the sampling fixture must be dismantled after the bottle is sealed, and all traces of liquid must be removed by flushing with a suit- able solvent. Do not forget: The dust cap (1) mustbe replaced on the quick-mount coupling immediately after dismantling thefixture.

Oil sample bottle
Sampling from a tank similar to CETOP RP 95 H
To obtain a representative sample, the equipment must be started up under operating conditions, in orderforthefluidinthecontainertobewellmixed. Carefully clean the exterior surface of the tank around the area where the sample will betaken.
Using a pipette or cleaned disposable syringe, it is easy to remove a sample of at least 150 ml. Introduce the pipette to at least half of the fluid depth and ensure that it does not come near the side walls or the floor of the reservoir, fill the content of the pipette into the sample bottle and then close the bottle – done. Now the tank must be re-closed or if other samples are required, then it must be sealed with pre-cleaned foil.
Suitable sample bottles are already pre-cleaned in accordance with standard DIN ISO 5884 and are supplied with the associated forms. Detailed instructions for handling the bottles are included in norm CETOP RP 95 H.
The sample bottle must be identified with a label that includes information on company, date, machine, and sample number. Moreover, the questionnaire required for the test must be filled out for each sample bottle. It includes information on:
- Sample number Source of the sample Sampling method
- Date and time of the sampling Fluid type
- Applied test methods
- Information on the machine and the installed filters
- Comments and notes, if required
Analysis set
Ideally suited for oil sampling in accordance with ISO 4021 or CETOP RP 95 H: An analysis set thatcan be used at the point of measurement to obtain a tendential statement about the contamination of the oil. However, the measuringprecisionofthe set is not comparable to that of a stationarylab.

Qualitative material analysis
Stationary lab
The test methods in the lab are more precise and more varied. The hydraulic fluid is assigned to a contamination class through particle analysis. The total level of contamination can be detected gravimetrically in mg/ l via a filtration device. In addition to contaminant quantity, the contaminant type is also determined with the microscopic pollution analysis. Additional tests that help in detecting and resolving faults in the hydraulic system, are for example determination of water content, viscosity, filterability, or material compatibility.
Portable particle counter
The Pic 9100 mobile contaminant measuring device is excellently suited for measuring mineral oil based hydraulic fluids. Possible areas of use include:
- Regular inspection of hydraulic circuits
- Confirmation of required low contaminant levels (ISO class) of hydraulic circuits as
- part of the machine acceptance process
- In-house production inspections for manufacturing machines and equipment with hydraulic circuits
- Monitoring a de-dusting process with the option of switching an aggregate (e.g.a mobile bypass filter aggregate) when reaching a desired contaminationclass

Oil sampling in the cleanroom
Analysis with the particle counter
The portable, Pic 9100 self-powered contamination measurement device makes it possible to measure the solid contaminants of liquids. The high precision laser sensor works in accordance with the principle of light extinction, and thus enables an exact count of individual particles. The sensor has twelve channels (six channels for ISO 4406 /1987 and NAS 1638 from > 2 to >100 µm, and six channels for ISO 4406 /1999 from > 4 to >100µm).
The device can be used for all usual hydraulic fluids and lubricating fluids. The measured values are shown in a display, either in accordance with ISO 4406 /1987 (extended by the range > 2 µm), or NAS 1638, and are saved automatically.
Memory capacity suffices for 1,400 measured values that can also be managed in measurement series (up to 99), for example, in order to evaluate multiple machines in sequence and to later evaluate them individually. The measurement datacan be printed out later with an integrated printer and read and processed with special software.

Value Table

Measurement Log
No guarantee without service
Malfunctions and premature component wear in hydraulicequipmentisoftenaresultofinadequate service. The hope ofloweringoperatingcosts by delaying filter replacement is misleading. Usually this measure provokes expensive equipment failure.
Consequently,manytotalsystemsuppliersrequire keeping logs of regular service and inspections in their service and operating instructions, and they limit their guarantee performances without this verification process. Usually, DIN 2434 is used asa handbook for systematic service and inspection of hydraulicequipment.
Checking replacementelementsandfluidtank
As customer service technician, prior to resolving a fault, always check first whether the filter has been serviced regularly, and whether MAHLE replacement elements have been used exclusively. All too often instead of replacing elements, the attempt is made to clean contaminated Mic or SMX / PS elements, which will certainly destroy them. Only wire mesh elements – and these only under certain conditions – can be restored to functionality through cleaning. Also check whether the oiltank is properly sealed, and that the vent filters are in proper condition. If in doubt: Take oil samples to ensure that the required contamination class has been compliedwith.

Original MAHLE replacement elements
Replacement frequency of filter elements
Caution;iffilterelementshaverarelybeenreplaced, or have never yet had to be replaced because the builtincontaminantindicatorhasneverindicateda needforreplacement.Ifthecontaminantindicator is not defective, then the cause may be that an installedbypassvalveisnolongerclosingcorrectly due to contaminant particles that have entered the system. In single-shift operation, filters with contaminant indicator are generally changed once a year, filters without contaminant indicator are generally changed twice a year. This is the only way to prevent worn elements from being used by over- looking them in the daily inspection.
APPENDIX





ACFTD dust
(Air Cleaner Fine Test Dust)
Test dust for execution of the multipass test in accordance with ISO 4572. Has now been replaced by test dust ISO MTD.
Add-on filter
Filters that has been designed as intermediate plate filter or as flange on filter for attaching to the tank or on controlblocks.
Initial differential pressure Δp for filters
Pressure drop that occurs in a new, non-contaminated filter if a certain volume flow is passed through the filter. It depends on the structure of the filter element, on the viscosity, the density and the size of thepassing volume flow.
Air breather
Filter on the tank that filters the inflowing air produced by the suction process of the pump. Its filter fineness should correspond to that of the hydraulic fluid filter.
Burst pressure
Collapse pressure / burst pressure in accordance with ISO 2941 is understood to be the pressure differential, which a filter element withstands at prescribed flowdirection.
ßx value
The ßx value is determined as the measure of the effectiveness of a filter in the multipass test. It isa ratio that is calculated from the particle count before and after filterpassage.
Pressure filter
The pressure filter is installed in the pressure line for filtration of the pump displacement flow and is used to protect downstream components.
Filling filter
A filling filter should always be used to fill equipment with hydraulic fluid.
Filter area
The total area of the filter element that is exposed to the volume flow. However, the filter materials are pleated in a star shape in order to obtain the largest possible filter surface within the specified filter dimensions.
Filter indicator values
The most important indicator values for filters are:
- Filter fineness Degree ofseparation
- Apparent contamination absorption capacity Filter surface
- Initial differential pressure Burst pressure
- Nominal pressure Nominal size
Filter concept
Effective selection and arrangement of different filters with optimal install points.
Filter service life
The service life of a filter element depends on numerous parameters and can be estimated – evenif the operating conditions are unknown. Fitting the filter with a contaminant indicator is recommended for optimal exploitation of contaminant absorptioncapacity.
ISO- MTD (ISL Medium Test Dust)
Test dust for execution ofthe multipass tests in accordance with ISO 16889, and calibration of particle counters in accordance with 11171, 1999.
Line filter
Filters that are directly installed in the pipeline via threads or flange.
Multipass test
Standardized test in accordance withISO16899 for determining the separation rate of a filter in which a defined contaminated test liquid is sent multiple times through the hydraulic circuit and through the filter to betested.
Bypass filtration
Arrangement of the filter in a circuit that is separated from the main system and that is fitted with its own pump. Bypass filtration through a precisely specified filter can occur independently of the operating time of the equipment, until the desired contamination class isachieved.
Nominal pressure (NP)
Pressure for which the filter has been designed.
Nominal size (NS)
Numeric volume flow for which the filter has been designed. The nominal size is based on the viscosity 32 mm2 / s, and the filter fineness ß20(c) ≥200.
Surface filter
Filters that separate contamination particlesonly on the surface of the filter element (e.g. wire mesh elements, edge gap filters). Surface filters are designed so that they have uniform pores (gaps). Compared to depth filters, surface filters have onlya low contamination absorptioncapacity.
Return line filter
Filters for installation in the return line of a device. Return line filters must be selected based on the greatest occurring volume flow – depending on the pump output flow.
Suction filter
Suction filters are usually designed with a wide mesh (e.g. 100 µm) and are suitable for filtration of the hydraulic fluid that is suctioned by the pump.
Partial flow filters
Arrangement of the return line filter parallel to a choke so that only a portion of the returningoil flow is filtered. An ideal solution for oil flows that significantly increase in periodicintervals.
Depth filter
Filters that mainly separate contaminant particlesin the interior of the filtering material. Compared to surface filters, their contaminant absorption capacity isgreaterandtheirpressurelossisless.
Replacement filter
With replacement filters or screw-on cartridges the filter element is encapsulated in a metal housing and is replaced completely, along with the housing, after use. Replacement filters are screwed onto an appropriate filter head. Replace- ment filters are used as low-pressure filters, return line filters, or bypass filters, particularly in mobile hydraulics. Their fineness depends on filter concept SMX, CMX, PS, Mic 10, or Mic 25. Bypass valve and nominal size correspond to those of the pressure filter, return line filter, or bypass filters. The maxi- mum possible nominal pressure is 10 or 25 Bar. A contaminant indicator is generally required.










